Hoekje
Een hoekje is een onderdeel uit plaatmateriaal dat wordt toegepast om delen met elkaar te verbinden en te verstevigen. In moderne verbindingssystemen is vaak meer nodig dan alleen een bout en een moer. Steeds vaker zijn doordachte oplossingen vereist om te voldoen aan eisen op het gebied van vormgeving, sterkte en montagegemak.
Werking hoekje
Een hoekje fungeert als verbindings- en verstevigingselement tussen twee delen die onder een hoek met elkaar worden gemonteerd.
Het plaatmateriaal zorgt voor een goede verdeling van krachten, waardoor de verbinding minder gevoelig is voor vervorming of losraken.
Toepassingen
Hoekjes worden onder andere toegepast in:
-
interieurbouw
-
meubelconstructies
-
paneel- en frameverbindingen
Vooral in constructies waar stevigheid, eenvoud en een nette afwerking samenkomen, bieden hoekjes een praktische en effectieve oplossing.
Montageadvies
Voor een optimale montage van een hoekje adviseren wij:
-
Zorg voor een goede passing van de onderdelen zodat het hoekje vlak aansluit
-
Gebruik bevestigingsmiddelen van de juiste maat en sterkte
-
Controleer of de gaten in lijn liggen voor een spanningsvrije montage
-
Draai bevestigingen gelijkmatig aan voor een stabiele verbinding
-
Gebruik indien nodig meerdere hoekjes voor extra stevigheid
Standaardassortiment en maatwerk
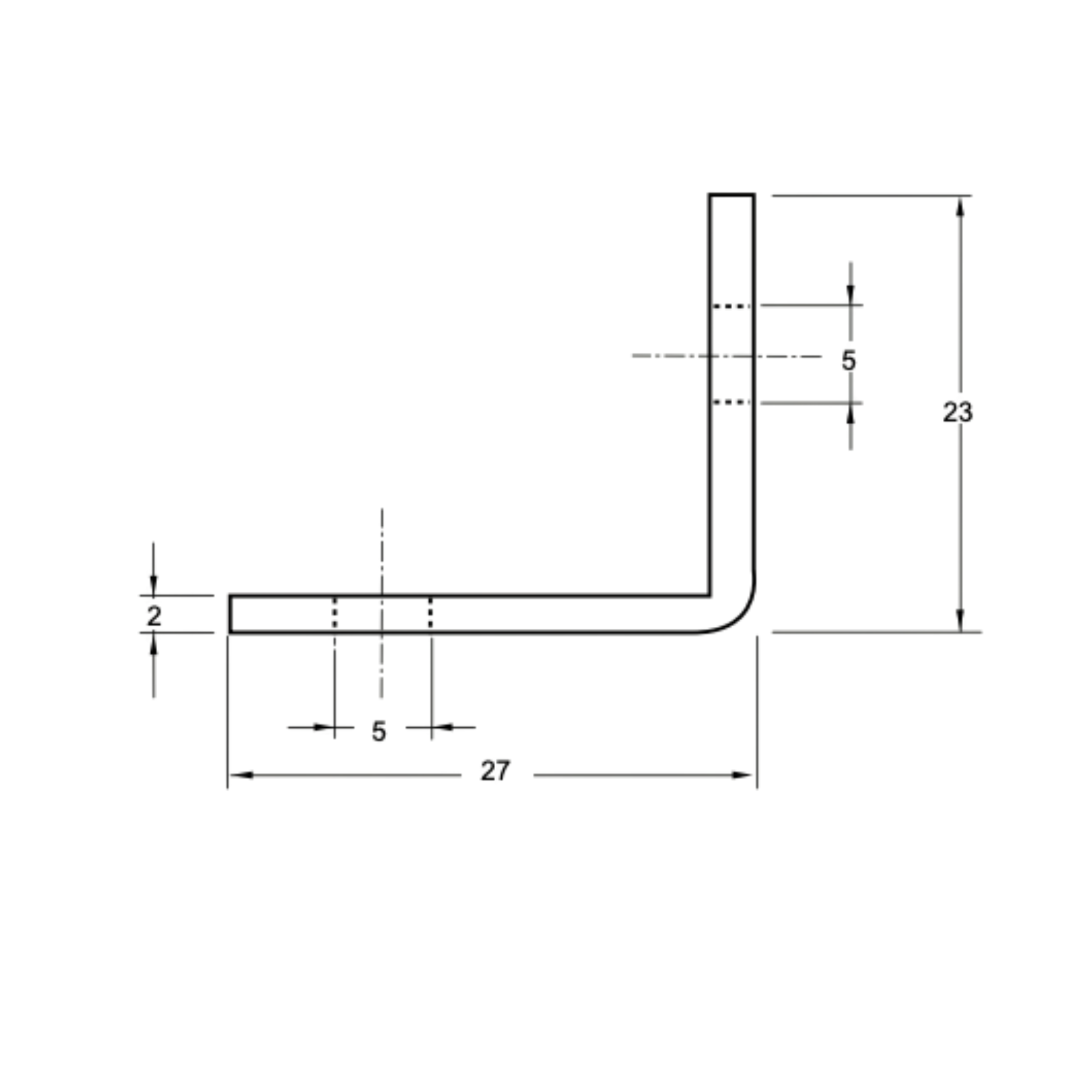
Wij leveren hoekjes in een standaardmaat, waarvan de afmetingen te zien zijn op de tekening bovenin de pagina. Het hoekje wordt standaard verzinkt afgewerkt.
Voor maatwerk en afwijkende uitvoeringen van een hoekje kan contact worden opgenomen met RIGO Metaal BV. Dit kan via de website of door te mailen naar info@rigometaal.nl.











Beoordelingen
Er zijn nog geen beoordelingen.