Een meubelsteun is een handig hulpmiddel om een blad stevig en netjes te bevestigen aan een constructie. Dankzij de ingebouwde pal zet u het blad direct op de juiste plek. Hierdoor werkt u sneller en voorkomt u verschuiven. Bovendien zorgt de verzinkte afwerking voor een nette uitstraling en extra bescherming.
Werking meubelsteun
De meubelsteun ondersteunt en positioneert het tegelijk. Eerst zorgt de pal ervoor dat het blad goed vast zit. Daarnaast verdeelt het plaatmateriaal de krachten goed. Hierdoor blijft de constructie stabiel en gaat deze langer mee. Kortom, u werkt eenvoudig én betrouwbaar.
Toepassingen
Meubelsteunen gebruikt u bijvoorbeeld bij:
- meubels
- tafel- en werkbladen
- kasten en frames
- interieurbouw
Vooral wanneer een blad stevig vast moet zitten en er netjes uit moet zien, biedt deze oplossing veel voordelen.
Montageadvies
Voor het beste resultaat is een goede montage belangrijk. Let daarom op het volgende:
- Zorg dat de onderdelen goed op elkaar aansluiten
- Plaats de pal nauwkeurig op de juiste plek in een goed passend gat
- Gebruik bevestigingsmiddelen van de juiste maat en sterkte
- Controleer of alles goed uitgelijnd is
Standaard & maatwerk
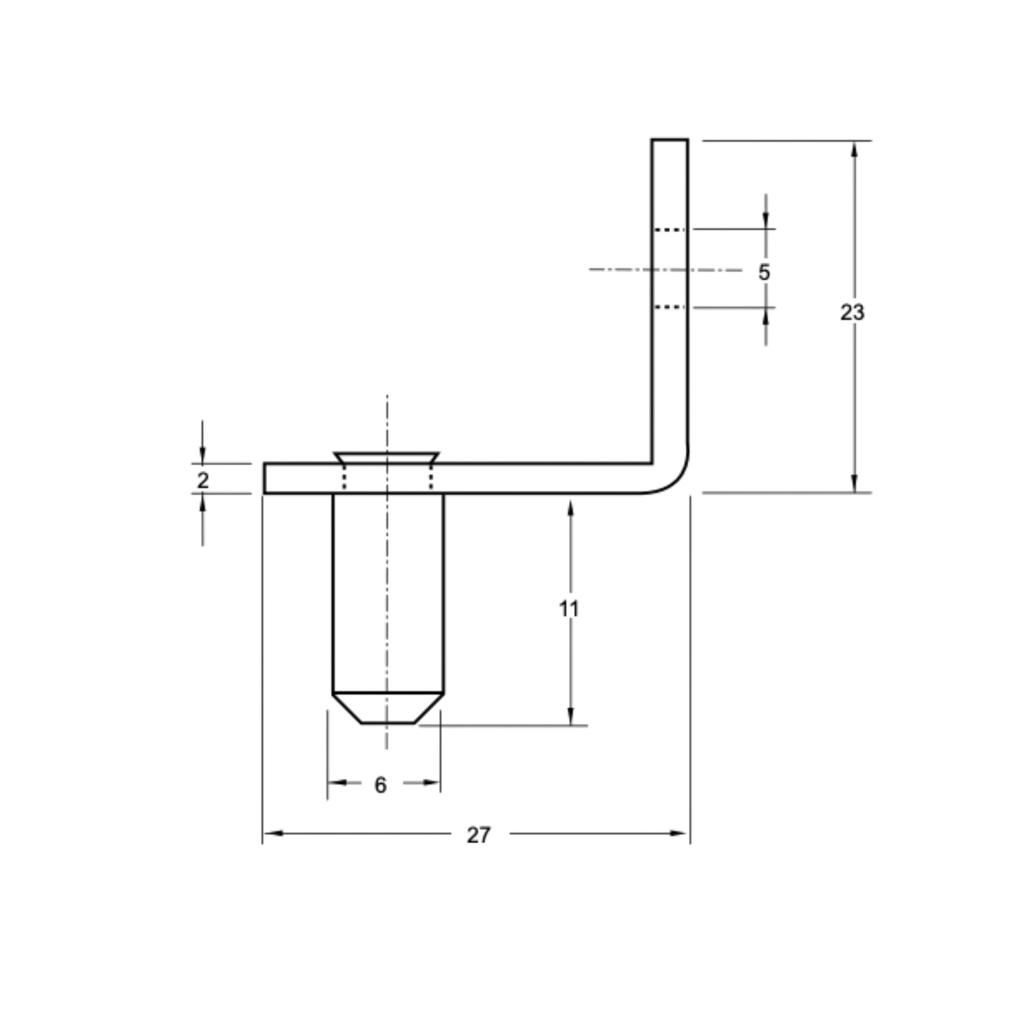
De meubelsteun is beschikbaar in een standaardmaat waarvan de afmetingen op de tekening staan. Voor maatwerk en afwijkende uitvoeringen van de meubelsteun kan contact worden opgenomen met RIGO Metaal BV. Dit kan via de website of door te mailen naar info@rigometaal.nl.












Beoordelingen
Er zijn nog geen beoordelingen.